The first thing that is done when receiving an order to make a part is to design the process. This starts by reviewing the drawing and the order itself. Many orders will tell you to simply make the part accordording to the drawing, but sometimes the purchase order will include extras like additional marking or sometimes additional processes. The part drawing should define the part completely from all the actual dimensions and features, to materials, testing and processes involved. The drawing will also list all the technical specifications to be followed to make the part conform to design specifications.






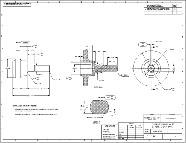
The part drawing usually is the main document which defines the part



Machining processes have to be planned so as to have a smooth flow through the part making process



Non-destructive testing such as FPI, MPI and X-ray have to be planned as to where they will be done in the process



The final inspection also has to be planned along with in-process inspection to determine if all the steps are done correctly



The part process for an aerospace part will vary but will be similar for many parts. For example jet engine rotors, disks and hubs will usually have a few rough turning operations and then final turning operations. At this point some non-destructive testing such as FPI will be done to verify correct machining. The parts can get milling done, if needed and additional items such as coating or plating will be done before final inspection. As usual this just describes a tiny portion of part processing as it can get quite complex. These pictures are generic and have been taken from simple web image searches to protect proprietary processes or classified parts being done where I work.